Main page
About us
Sliding Bearings Consulting
Advertising Opportunities


SubsTech’s sister website Smooth Sliding provides independent engineering consulting services that help you to solve engine bearing related issues: failures, material selection, geometry design and optimization of hydrodynamic conditions.
Smooth Sliding is an engineering consulting company run by Dr. Dmitri Kopeliovich:
For further information and for requesting consulting services please visit our sister website Smooth Sliding.
to Metals
to Engine bearings
In internal combustion engines, the bearings generally operate in a hydrodynamic regime of lubrication. The lubricant (oil) is supplied by the oil pump. The pressurized oil flows to the crankcase and passes to the upper main bearing shells. Through a hole in the upper shells, oil is supplied to the main bearings and lubricates them. Upper main bearings have a groove, which contributes to the transfer of oil via the passages in the crankshaft to the connecting rod bearings.
Thus, the oil hole in the upper bearing in fact performs as a lubricant source for the operations of both main and connecting rod bearings. The parameters of the hole therefore affect the lubrication regime.
to top
The lubricant in an operating engine bearing forms an oil film separating the bearing and journal surfaces. The film is pressurized as a result of hydrodynamic friction under load. Since the gap between the journal and bearing (the oil clearance) is open, the oil may flow out of the bearing and return to the oil sump.
Side flow (or side leakage) plays a positive role, since it allows removing the heat absorbed by the bearings [1]. The leakage is compensated by oil supplied from the oil pump. The total oil flow of all engine bearings determines the amount of pump capacity required for bearing lubrication.
For normal engine operation it is extremely important that the pump is capable of supplying an amount of oil at least equal to the total maximum side leakage of the bearings.
If side leakage is close to or greater than pump capacity, the amount of oil becomes insufficient for generating a stable hydrodynamic film. Consequently, bearing lubrication turns to mixed regime, characterized by metal-to-metal contact between the bearing and journal surfaces. Such conditions are called oil starvation. The result of oil starvation is excessive wear of the bearing material and early bearing failure [2]. A photograph of bearings operating under oil starvation conditions is presented in Fig.1.

Consider the factors determining side flow from a bearing.
According to the theory of hydrodynamic lubrication, the approximate value of side leakage is dependent on the bearing radius r, rotation speed N, bearing length l, relative clearance c, and the value of eccentricity ε - which is a function of the Sommerfeld number (or bearing parameter):

The graph below (Fig.2) shows the dependence of eccentricity on the Sommerfeld number.

Thus the factors increasing side leakage are:
The factors decreasing side leakage are:
Side leakage flow may be expressed by an approximate relationship as follows:

Where:
µ - The dynamic viscosity of oil in the bearing
P - The load per unit of projected bearing area (specific load)
The value of oil viscosity is strongly dependent on temperature. Since oil temperature increases as a result of hydrodynamic friction, the viscosity of lubricant in an operating bearing drops sharply.
High performance engines are characterized by operating at high loads and rotation speeds. Therefore the values of side leakage from high performance bearings are much higher than in street car engines.
to top
The dimensions of the oil hole should provide a flow rate sufficient to compensate for the side leakage from both main and corresponding connecting rod bearings.
In other words, oil flow should be limited by side leakage and not by the oil hole.
Incompressible flow through an orifice (hole) may be expressed as follows:

Where:
K – orifice shape coefficient
G – cross-sectional area of the orifice (hole)
p1 – oil pressure at the entrance to the orifice
p2 – oil pressure at the exit from the orifice
ρ – oil density
Since the oil flow that should pass through the hole of a high performance bearing is greater than that of a conventional bearing, the hole cross sectional area should be increased.
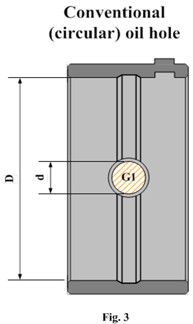
The simplest way to do that is to increase the hole diameter d (Fig.3). An increase of d by 20% results in an increase of the hole cross sectional area by 44%.

It is important to emphasize that the increase of the hole cross sectional area does not cause an increase of oil flow through the oil hole - unless the bearing operates under oil starvation conditions. On the other hand, if oil starvation takes place, a larger oil hole solves the problem.
However, a larger hole decreases the effective area of the bearing. Despite the fact that the absolute value of such decrease is relatively low, it may affect the load capacity of the bearing since the oil film pressure is localized in the central area of the bearing (area of the hole). The bearing material in that area may develop fatigue cracks. This is due to relatively high loads generated by inertia forces from the accelerating/decelerating parts of the engine: pistons, connecting rods, crankpins, counterweights and webs of the crankshaft.
A new design of oil hole (oil socket) has been developed by King Engine Bearings for the upper shells of high performance main bearings (Fig.4).

In the new design, the oil hole cross sectional area has been increased by the combination of a circular oil hole with a slot located in the oil groove. The slot length C is greater than the diameter of the oil hole in the crankcase; the slot width is equal to the oil groove width.
Such a solution allows increasing the socket area G by at least 25%, sufficient to prevent the formation of oil starvation conditions in high performance engines at high rotation speeds.
to top
Bearings with two different oil hole designs (conventional and high performance) were tested in King’s Power Test dynamometer.
Engine: high performance Chevy 355 (Fig.5).

King CR 807XPN (connecting rod bearings) and MB 557XP (main bearings) were installed in the engine. Three of the main bearings (including the flange bearing) were manufactured with the new design hole; the remaining two bearings had the conventional design.
In order to create flow conditions of high side leakage, all bearings (connecting rod and main) were additionally machined. As a result of thickness reduction, the relative clearance of the bearings was increased to 0.006”, which is at least twice the allowed maximum value. Such high oil clearance increases the probability of oil starvation, particularly at high loads and rotation speeds.
Test conditions:
Torque: 330 ft-lb
Rotation speed: 6000 RPM
Power: 380 HP
Test duration: 50 hrs
Number of cycles: 15,000,000
Test results:
The main bearings (upper and lower shells) with conventional (circular) hole in the uppers, have signs of wear. The upper shells of the four corresponding connecting rod bearings have a similar appearance. The lower connecting rod bearings are in good condition (very slight wear).
The main bearings with the new design oil socket and the upper connecting rod shells have significantly less wear than in the conventional circular hole test.
The bearings’ wear was determined by thickness and weight measurements.
The measurement results are presented in the table:
| Parameters | Conventional bearings main / upper con. rod | High performance bearings main / upper con. rod |
|---|---|---|
| Thickness reduction, µinch | 78 / 85 | 22 / 31 |
| Weight reduction, mg | 33 / 41 | 5 / 8 |
According to the measurements, the new oil hole design provides more stable hydrodynamic lubrication and prevents the formation of oil starvation conditions.
to top
[1] J.E. Shigley (1986), Mechanical engineering design, McGraw-Hill Book Company.
[2] Dmitri Kopeliovich (2011), The Proper Selection of Engine Bearing Materials, AERA., April-June 2011, p.48-62.
[3] Checking bearing calculation, Available from: http://wikihelp.autodesk.com/Inventor/enu/2014/Help/1283-Inventor1283/4096-Engineer4096/4207-Bearings4207/4224-Plain_Be4224/4226-Checking4226
to top
to Metals
to Engine bearings

